启东市龙盛石化设备制造有限公司

联系我们

启东市龙盛石化设备制造有公司

地址:启东市汇龙工业园区杨沙路18

邮编:226200

邮箱:qdsls@www.qdsls.cn

   13951335027@139.com

电话:0513-83353586  13951335068

传真:0513-83350849

网址:www.www.qdsls.cn

分离冷却设备

您的当前位置:首 页>> 产品中心 >> 分离冷却设备

SQF蒸汽分水器

  • 所属分类:分离冷却设备

  • 点击次数:0
  • 发布日期:2016-09-25
详细介绍
产品简介

  蒸汽分水器能有效地分离蒸汽中的水滴,对整个装置正常运行起保护作用,因此凡在石油化工装置内自产的饱和蒸汽并入相应管网前以及蒸汽进入轮机之前,都应设置蒸汽分水器。
  我公司生产的SQF型蒸汽分水器主要技术参数如下:
  操作介质:水蒸汽、水;最高工作压力:1.0MPa;设计压力:1.3MPa;设计温度:300℃

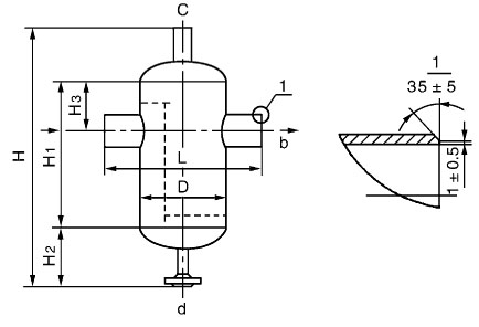
◎产品结构示意图
1、SQF-50、80、100
2、SQF-150、200、250、300、350
◎开口说明
◎产品主要连接尺寸
◎订货说明
  1、本系列设备已按蒸汽接管尺寸考虑了相应的分离面积,用户可直接根据蒸汽管径选用。
  2、本系列设备均按GB150-1998《钢制压力容器》和劳动部颁发的“压力容器安全技术监察规程”的有关规定进行制造和验收。
  3、本系列设备接管法兰按HG20593-97标准,并带配对法兰,也可根据GB、SH、JB、ANSZ、JIS等。
  4、本系列设备材质为碳钢,用户如选用不锈钢等材料,订货时应注明。


上一篇:没有了
下一篇:全自动减温器